|
I en klassisk analog signalkedja bestående av förstärkare för insignaler till digitalomvandlare och processor hittar vi några välkända funktioner för operationsförstärkare – förförstärkning och signalkonditionering. Det finns också ett
![]() |
| Figur 1a. En enkel differen-tialförstärkare med serie-resistans på referensspänningen (RREF-modell) skapar ett spänningsdelarfel. |
![]() |
| Figur 1b. Procentandel ut-signalfel orsakade av en ökande serieresistans på referensspänningen för de fasta värdena VIN+ och VIN– (högerklicka för större bild) |
![]() |
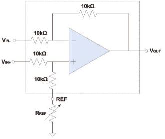
| Figur 2: Enkel differentialförstärkare med buffrat referensstift. |
Regel nr 1: Ta reda på sensorns utsignal och impedans innan du väljer operations- eller mätförstärkare. Ta också reda på vilka krav på utsignal det finns på förstärkaren.
En av de största besvikelserna man kan få uppleva när man gjort en konstruktion är att upptäcka att man valt fel ingångsförstärkare för jobbet, eller att man behöver ytterligare en förstärkare för att upprätthålla systemets precision och noggrannhet trots att man gjort ett noggrant val av förstärkare för sensorn.
Vad ska man då tänka på när man väljer förstärkare för en konstruktion med sensorsignalkonditionering? Sensorns impedans och utspänningsområde, CM-signalnivåerna och typen av erforderlig excitering påverkar samtliga valet av förstärkare.
Om en sensor med mycket hög impe-dans används, t.ex. en pH-sensor, är det mycket viktigt att man väljer en förstärkare med extremt låg biasström för att minimera DC-fel vid förändringar i impedansen. Om utspänningsområdet är några få millivolt, vilket det är hos många sensorer, kan en låg offset och troligen också operationsförstärkare eller mätförstärkare med låg drift förhindra att insignalen går förlorad bland proportionellt större ingångsfel hos förstärkaren.
Så snart man valt en lämplig signalförstärkare, måste man fundera på vad det finns för krav på förstärkarens utgång. Om du tänker driva en AD-omvandlare måste du känna till omvandlarens ekvivalenta inkapacitans och samplingsfrekvens. I de fall signalförstärkaren inte har tillräckligt stor bandbredd för att hamna på önskad noggrannhet under AD-omvandlarens samplingstid kanske du behöver en förstärkare med ännu större bandbredd. Ofta går denna bistra sanning upp för dem som konstruerar kort och system först under utvecklingens senare faser. Därmed blir behovet av rätt förstärkare för utsignalerna huvudorsaken till omkonstruktion.
Regel nr 2: När du optimerar en mät- eller differentialförstärkares noggrannhet, måste du vara särskilt uppmärksam på referensspänningen.
Alla konstruktioner är inte skapade för högsta möjliga systemnoggrannhet, men det är alltid bra att veta hur bra noggrannhet din konstruktion behöver. Om du konstruerar med en mät- eller differentialförstärkare, har du förmodligen baserat ditt val av krets på en kombination av förstärkningsnoggrannhet, hög CMRR, låg avdrift och lågt brus. Det här må vara viktiga specifikationer för systemets totala noggrannhet, men låt inte ditt hårda arbete gå till spillo – du blir förmodligen tvungen att ompröva valet av förstärkare om du inte inkluderar referensspänningens inverkan på förstärkarens utspänning i bedömningen.
Differentialförstärkare utgör själva hjärtat i många topologier för mätförstärkare. För tydlighetens skull ska vi därför titta på hur referensspänningens påverkar en differentialförstärkare. Så här ser utspänningen ut hos en differentialförstärkare med förstärkning av ett:
VUT = (VIN+ – VIN–) + VREFFör system med enkel matningsspänning får mätförstärkarens referensspänning i det optimala fallet halva matningsspänningen för att utsignalernas swing ska bli så symmetrisk som möjligt. Ovanstående ekvation visar att fel på VREF översätts till ett direkt fel i utsignalen. Det är viktigt att säkerställa en korrekt referensspänningen.
Många konstruktörer använder en tillgänglig matningsspänning som sen delas med en billig resistordelare när de skapar en referensspänning för differentialförstärkaren, eftersom detta ger låga kostnader och enkelhet i konstruktionen. Detta kan se ut som en effektiv användning av de spänningar man har och kan också vara en enkel lösning, men eftertankens kranka blekhet lurar runt hörnet. Differentialförstärkarens referensspänning behöver en lågimpedanskälla för att inget delarfel ska uppstå i de interna resistorerna för skalning av spänningsskillnad. Om man använder en delare med relativt hög impedans, uppstår ett fel i utsignalen från differentialförstärkaren. Figur 1a visar den enklare differentialförstärkarens topologi med R=10 kΩ och en modell för ekvivalent resistans (RREF) som representerar den impedans som en spänningsdelare tillfört. Om ytterligare impedans tillförs referensspänningen ser utspänningen ut så här:
VUT = [2VIN+( R+RREF)/(2R+RREF)] – VIN–]Utifrån den ursprungliga utspännings-ekvationen kan vi tydligt se att RREF kan spela en avgörande roll. Figur 1b beskriver hela felet som en procentandel av den ideala utspänning man får med resistanser från 1 Ω till 10 kΩ. Beroende på ekvivalensimpedansen på referenspänningen kan ett fel på upp till 50 procent av den faktiska utspänningen uppstå.
Den här situationen kan undvikas med en buffert (enligt figur 2) som driver referenspänningen mot ett känt, stabilt värde. En bufferts låga utimpedans upprätthåller differentialförstärkarens totala noggrannhet, samtidigt som man ändå kan använda de referensspänningar som är tillgängliga från övriga delar av konstruktionen.
Regel nr 3: Ta reda på hur AD-omvandlarens spänningsreferens kan ge korrekta digitala omvandlingar.
Problemet under Regel nr 1 undviks med en förstärkare som har tillräckligt stor bandbredd för belastningskraven för signalomvandlingen hos vissa dataomvandlare. Detsamma gäller för Regel nr 3 – man måste även tänka på effekten av signalomvandling och sampling på den spänningsreferens som dataomvandlaren använder. För dataomvandlare med integrerade referenser behöver inte detta vara ett problem. Om du däremot använder en extern spänningsreferens för att korrekt belasta dataomvandlaren, kan du undvika att välja fel förstärkare genom att bedöma behovet av referensbuffert på ett tidigt skede i konstruktionsprocessen. Den kapacitiva arkitekturens interna omvandlingsfrekvens som är vanlig hos SAR-omvandlare (succes-sive approximation register) kräver konstant belastning för att dataomvandlarens noggrannhet ska kunna upprätthållas. Om du väljer en förstärkare med bandbredd och brus på nivåer som är tillräckliga för att driva utsignalen mot korrekt slutspänning under dataomvandlarens samplingstid, kan du vara säker på att du återigen har valt rätt förstärkare.





