Isolerad strömmätning vässar motordriften
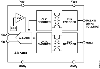
Under kraftmässan PCIM, som pågår i Nürnberg, har Analog Devices lanserat en isolerad Sigma-Delta-modulator med en 16-bitars omvandlare på ingången. Kretsen kan användas för noggrann mätning av ström och spänning i olika motorstyrningssammanhang.AD7403 är exempelvis lämpad att användas vid strömavkännande tillämpningar där spänningen över ett shuntmotstånd övervakas. Det hela kan gå till så att lastströmmen flyter genom ett för tillämpningen optimalt shuntmotstånd som i sin tur alstrar en spänning på ingången till kretsen. AD7403 isolerar och omvandlar den analoga insignalen till en 1-bits dataström som kan klockas med upp till 20 MHz. Isolationen klarar toppspänningar på 1250 V.
Nykomlingen har SINAD-prestanda (Signal to Noise and Distortion ratio) på upp till 81 dB liksom 14,2 effektivt antal bitar (ENOB) vid 78 kSa/S över temperaturområdet från -40°C till 125°C.
– Det är runt 11 dB högre än konkurrerande alternativ. Det gör att man mer exakt kan mäta ström och spänning, vilket i sin tur förbättrar motordriften genom att minska momentripplet på motoraxeln, säger Anders Frederiksen, marknadsansvarig för motor- och kraftsegmentet på Analog Devices, till Elektroniktidningen
Det höga signal/brus-förhållandet ökar också effektöverföringens effektivitet i tillämpningar med DC/AC-inverterare, exempelvis i motordriftssammanhang och i växelriktare till sol- och vindkraftverk.
AD7403 kommer kapslad i en SOIC med 16 anslutningar. Den finns att få i volym och kostar 2,95 dollar styck vid köp av minst 10 000 enheter.
Typisk tillämpning för AD7403:


