Världsrekord i optisk bandbredd
1,125 Tbit/s har brittiska forskare lyckats skicka till en ensam optisk mottagare. Ett av tricken var att knycka idéer från trådlös kommunikation.
Rekordet sattes på avdelningen för optiska nät på University College London (UCL) som utforskar vilka kapacitetsgränser som egentligen finns just nu när det handlar om optisk signalering. Tekniken kan komma att hamna i nästa generations optiska överföringssystem.
”Alla säsonger av Game of Thrones i HD-kvalitet på en sekund” – så väljer forskarna att illustrera kapaciteten i länken.
Varje kanal fintrimmades för att kunna använda så mycket som möjligt av sin teoretiska bandbredd, som är de röda kvadraterna, medan de blå prickarna är vad man faktiskt uppnådde. |
Dagens bästa optolänkar klarar upp till 100 Gbit/s.
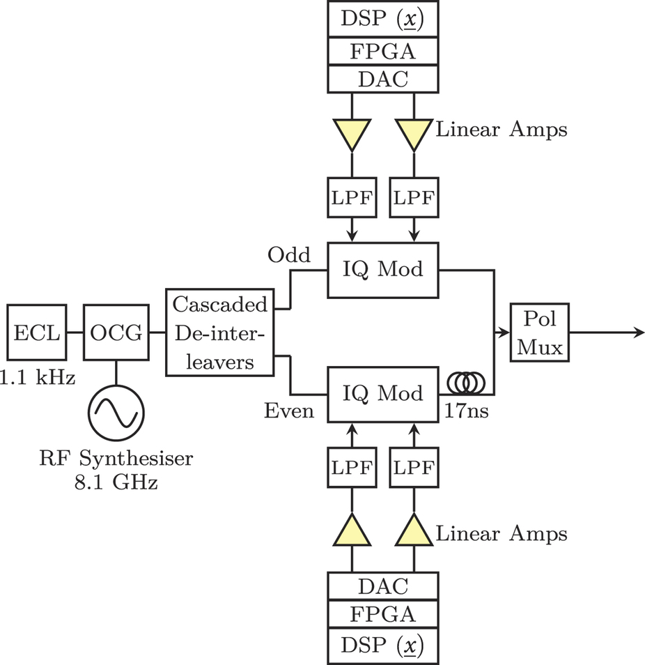
Forskarna lånade signalkodningsteknik från trådlös kommunikation. Signalerna skickades 256QAM-kodade över 15 olika våglängder till en ensam optisk mottagare.
En utmaning med att använda en enda mottagare är att underkanalerna har olika prestanda. För att optimera fintrimmade man därför både modulationsformat och datatakt för varje enskild kanal.
Ett litet fusk finns i experimentet: sändare och mottagare var direkt anslutna till varandra. Nästa steg är nu att introducera några tusen kilometer fiber och de optiska förvrängningar som denna för med sig.
Forskarna har rapporterat sina resultat till tidskriften Scientific Reports.


Varje kanal fintrimmades för att kunna använda så mycket som möjligt av sin teoretiska bandbredd, som är de röda kvadraterna, medan de blå prickarna är vad man faktiskt uppnådde.
